客户咨询联系电话:
咨询一部:180-0371-3827
咨询二部:157-3711-0787
咨询三部:131-4002-7020
联系地址:郑汴路76号绿都广场C栋24层2403室
------------------------------------------------------------------------------
报告类型:可行性研究报告
报告价格:电话咨询或联系在线客服
咨询电话:157 3711 0787
------------------------------------------------------------------------------
项目名称: 产业园
项目总投资: 20000.0万元
项目规模及内容: 产业园项目用地13333平方米,规划总建筑面积55520平方米,其中地上建筑面积38520平方米,其中1#楼建筑面积为26097.3平方米,地上13层;2#楼为7422.7平方米,地上8层;3#楼建筑面积为5000平方米,地上8层;地下2层,建筑面积为16000平方米,项目预计投资20000万元。
----------------------------------------------------------------------------------------
【产业园节能评估报告内容】(国家节能中心标准)
第一章 编制说明
第一节 评估目的和意义
第二节 评估依据
第三节 评估范围和内容
第四节 评估工作程序
第二章 项目概况介绍
第一节 项目建设单位概况
第二节 项目建设方案
第三节 项目用能情况
第三章 能源供应情况分析评估
第一节 项目所在地能源供应条件及消费情况
第二节 项目能源消费对当地能源消费的影响
第四章 项目建设方案节能评估
第一节 项目选址、总平面布置节能评估
第二节 工艺流程、技术方案节能评估
第三节 主要用能工艺和工序节能评估
第四节 主要耗能设备节能评估
第五节 辅助生产和附属生产设施节能评估
第六节 本章评估小结
第五章 项目能源消耗及能效水平评估
第一节 项目能源消费种类、来源及消费量评估
第二节 能源加工、转换、利用情况评估
第三节 能效水平分析评估
第四节 本章评估小结
第六章 节能措施评估
第一节 项目节能措施概述
第二节 单项节能工程
第三节 节能措施效果评估
第四节 节能措施经济性评估
第五节 本章评估小结
第七章 存在问题及建议
第八章 结论
【产业园节能评估报告目录】
1. 编制说明
1.1 评估的目的和意义
(1) 评估分析产业园项目是否符合国家和地方的法律、法规、规划、产业政策、行业准入条件以及相关标准、规范等的要求。
(2) 对产业园项目工艺工序以及工艺设备在能源消耗方面是否先进可行,进行评估。
(3) 阐述建设产业园项目设计用能的情况,以科学、严谨的评估方法,客观、全面地分析产业园项目合理用能的先进点和薄弱环节,判定产业园项目合理用能的政策符合性、科学性、可行性,提出合理用能的建议措施。
(4) 根据节能评估的结论和建议,为实现国家、地方有关节能减排的宏观政策目标,加强产业园项目合理用能管理,从源头严把节能关。
1.2 评估依据
1.2.1 国家现行法律法规和规划、产业政策、行业准入条件
1.2.1.1 法律
《中华人民共和国节约能源法》(八届人大常委会二十八次会议主席令第九十号,十届人大常委会三十次会议主席令第七十七号修订)
《中华人民共和国可再生能源法》(十届人大常委会14次会议主席令第33号,十一届人大常委会12次会议主席令第23号修订)
《中华人民共和国清洁生产促进法》 (九届人大常委会28次会议主席令第72号)
《中华人民共和国电力法》(八届人大常委会17次会议主席令第60号)
《中华人民共和国城乡规划法》(七届人大常委会11次会议主席令第23号)
《中华人民共和国建筑法》(八届人大常委会28次会议主席令第91号)
《中华人民共和国水法》(九届人大常委会29次会议主席令第74号)
《中华人民共和国环境保护法》(七届人大常委会11次会议主席令第22号)
《中华人民共和国循环经济促进法》(十一届人大常委会第4次会议主席令第4号)
《中华人民共和国计量法》(六届人大常委会第12次会议主席令第28号)
《中华人民共和国统计法》(六届人大委员会第三次会议主席令第9号,十一届人大委员会第九次会议主席令第15号修订)
1.2.1.2 法规
(1)国家法规
《固定资产投资项目节能评估和审查暂行办法》(发改委令[2010]第6号)
《“十二五”节能减排综合性工作方案》(国发[2011]26号)
《国务院关于加强节能工作的决定》(国发[2006]28号)
《国务院关于进一步加强节油节电工作的通知》(国发[2008]23号)
《关于进一步加强工业节水工作的通知》(工信部[2010]218号)
《节能中长期专项规划》(发改环资[2004]2505号)
《关于加强固定资产投资项目节能评估和审查工作的通知》(发改投资[2006]2787号)
《关于印发固定资产投资项目节能评估和审查指南(2006)的通知》(发改环资[2007]21号)
《民用建筑节能条例》(国务院令第530号)
《民用建筑节能管理规定》(建设部令第143号)
《国家电网公司电力系统电压质量和无功电力管理规定(2009)》(国家电网公司)
(2)地方法规
《XX市节约能源条例》
《关于XX市固定资产投资项目节能评估和审查有关规定的通知》
《关于印发XX市固定资产投资项目合理用能评估和审查管理暂行办法的通知》
《XX市人民政府关于加强节能工作的决定》
《XX市供热用热条例》
《XX市建筑节能管理规定》
《XX市节约用水条例》
《XX市城市排水和再生水利用管理条例》
1.2.2 行业与区域规划、行业准入与产业政策
(1)规划
《XX市城市总体规划》
《中华人民共和国国民经济和社会发展第十二个五年规划纲要》
《XX市国民经济和社会发展第十二个五年规划纲要》
(2)产业政策
《外商投资产业指导目录(2011年修订)》国家发改委商务部令[2011]第12号
《天然气利用政策》发改能源[2007]2155号
《工业和信息化部关于钢铁工业节能减排的指导意见》(工信部节[2010]176号)
《部分工业行业淘汰落后生产工艺装备和产品指导目录(2010年本)》(工产业[2010]第122号)
《高耗能落后机电设备(产品)淘汰目录》(第一批)工节[2009]第67号
《国家重点节能技术推广目录》(第一批)国发[2008] 36号
《国家重点节能技术推广目录》(第二批)国发[2009] 24号
《国家重点节能技术推广目录》(第三批)国发[2010] 33号
《国家重点节能技术推广目录》(第四批)国发[2011]34号
《工业和信息化部节能机电设备(产品)推荐目录》(第一批)工节[2009]第41号
《工业和信息化部节能机电设备(产品)推荐目录》(第二批)工节[2010]第112号
《工业和信息化部节能机电设备(产品)推荐目录》(第三批)工节[2011]第42号
1.2.3 相关标准及规范
(1)工业类及行业标准
《工业企业总平面设计规范》GB50187-1993
《工业企业能源管理导则》GB/T15587-2008
《机械行业节能设计规范》JBJ14-2004
《机械工厂年时基数设计标准》JBT2-2000
《空气压缩站设计规范》GB50029-2003
《容积式空气压缩机能效限定值及节能评价值》GB19153-2003
《热处理节能技术导则》G/Z18718-2002
《评价企业合理用热技术导则》GB/T3486-93
《设备及管道绝热技术通则》GB4272-2008
《工业余热术语、分类、等级及余热资源量计算方法》GB/T1028-2000
(2)电气专业
《供配电系统设计规范》GB50052-2009
《民用建筑电气设计规范》JGJ 16-2008
《评价企业合理用电技术导则》GB/T3485-98
《低压配电设计规范》GB 50054-1995
《通用用电设备配电设计规范》GB50055-93
《10kV及以下变电所设计规范》GB50053-1994
《电力变压器经济运行》GB/T 13462-2008
《电力变压器选用导则》GB/T 17468-2008
《建筑照明设计标准》GB50034-2004
《金属卤化物灯能效限定值及能效等级》GB 20054-2006
《金属卤化物灯用镇流器能效限定值及能效等级》GB 20053-2006
《中小型三相异步电动机能效限定值及能效等级》GB18613-2006
《三相异步电动机经济运行》GB12497-2006
《清水离心泵能效限定值及节能评价值》GB19762-2005
(3)暖通专业
《城镇供热管网设计规范》CJJ34-2010
《采暖通风与空气调节设计规范》GB50019-2003
《房间空气调节器能效限定值及能源效率等级》GB12021.3-2010
《散热器恒温控制阀》JG/T 195-2007
《通风机能效限定值及节能评价值》GB19761-2005
(4)给排水专业
《节水型企业评价导则》GB/T7119-2006
《建筑给水排水设计规范》GB 50015-2003(2009年版)
《室外排水设计规范》GB 50014-2006(2011年版)
《室外给水设计规范》GB 50013-2006
《民用建筑节水设计标准》GB 50555-2010
《污水排入城镇下水道水质标准》CJ343-2010
《节水型生活器具》CJ164-2002
(5)燃气专业
《燃气燃烧器具安全技术条件》GBl6914-2003
《城镇燃气设计规范》GB50028-2006
《城镇燃气技术规范》GB50494-2009
(6)建筑专业
《公共建筑节能设计标准》GB50189-2005
《XX市公共建筑节能设计标准》DB29-153-2010
《建筑外门窗气密、水密、抗风性能分析及检测方法》GB/T 7106-2008
《关于加强外墙保温工程安全防火管理的紧急通知》建质安[2010]1039号
《建筑设计防火规范》GB50016-2006
《建筑外门窗气密、水密、抗风性能分析及检测方法》GB/T 7106-2008
《外墙外保温工程技术规程》JGJ144-2004
《全国民用建筑工程设计技术措施》建质[2009]124
《XX市民用建筑节能工程施工质量验收规程》DB29-126-2010
《XX市民用建筑围护结构节能检测技术规程》DB29-88-2007
《XX市民用建筑节能工程施工技术规程》DB29-125-2007
(7)其它
《综合能耗计算通则》GB/T2589-2008
《用能单位能源计量器具配备和管理通则》GB17167-2006
《能源管理体系要求》GB/T 23331-2009
1.3 评估范围和内容
1.3.1 评估范围
拟建产业园项目节能评估的范围主要包括:项目政策符合性、工艺、设备、选址及总平面布置、建筑专业、暖通专业、电气专业、给排水专业和燃气专业等与项目直接关联的所有用能环节。
1.3.2 评估内容
(1) 项目是否符合国家、地方及行业的节能相关法律法规、政策要求、标准规范;
(2) 项目有无采用国家明令禁止和淘汰的落后工艺及设备;
(3) 项目建设方案和用能方案;
(4) 项目能源消费总量及结构,能效指标水平;
(5) 项目对所在地能源消费及节能目标完成情况的影响;
(6) 项目采取的节能措施及效果评价;
(7) 项目设计方案存在的主要问题及补充建议。
1.4 评估工作程序
2. 产业园项目概况
2.1 产业园项目建设单位概况
建设单位:
单位性质:
法人代表:
单位地址:
邮政编码:
联 系 人:
联系方式:
2.2 项目名称
2.3 项目建设地点
2.4 项目性质
2.5 项目投资及经济效益
2.6 项目建设背景
2.7 项目生产规模及产品方案
产业园项目产品类型及产量详见表2-1。

2.8 产业园项目建筑物概况
产业园项目建筑物情况详见表2-2。

2.9 产业园项目主要经济技术指标
拟建产业园项目主要技术经济指标详见表2-3。

2.10 产业园项目建设周期
2.11 产业园项目劳动定员及工作制度
拟建产业园项目劳动定员 人,年工作250天,采用 班工作制,主要生产工序铸造和机加工设备时基数详见表2-4。

2.12 主要原辅材料消耗量
拟建产业园项目所用原辅材料及产量详见表2-5。

2.13 主要生产设备
产业园项目用电设备具体参数详见表2-6,耗气设备参数详见表2-7。

2.14 总平面布置及车间工艺布置
2.15 项目主要工艺技术方案
2.16 项目用能情况
2.16.1 主要供用能系统
(1) 电气系统
(2) 暖通空调系统
(3) 给排水系统
(4) 燃气系统
2.16.2 项目能源消耗种类、数量及综合能耗量
产业园项目能耗情况详见表2-8。

2.16.3 产业园项目建设地址简介
3. 能源供应情况分析评估
3.1 产业园项目所在地能源供应条件
3.1.1 电力
3.1.2 给排水
3.1.3 供热
3.1.4 天然气
3.1.5 压缩空气
3.1.6 地热资源
3.1.7 太阳能资源
3.1.8 风能资源
3.2 产业园项目能源消费对当地能源消费的影响

4. 产业园项目建设方案节能评估
4.1 项目选址、总平面布置节能评估
4.2 项目工艺流程、技术方案节能评估
4.2.1 技术方案
对产业园项目的生产工艺/方案进行对比分析,详见表4-1。

4.2.2 工艺流程节能分析
4.3 产业园项目用能方案节能评估
拟建产业园项目生产各生产工序能耗数值详见表4-2。

4.4 主要耗能设备节能评估
4.4.1 主要耗能设备确定
4.4.2 主要耗能设备节能分析
4.5 辅助生产和附属生产设施节能评估
4.5.1 电气系统节能评估
4.5.1.1 供配电系统
4.5.1.2 照明系统
(1)光源及灯具
(2)照度要求
拟建产业园项目照明设计参数见表4-5。

(3)应急照明
(4)照明控制

4.5.1.3 动力设备
4.5.2 暖通空调系统节能评估
4.5.2.1 设计参数
(1)室外设计温度
表4-6 拟建产业园项目室外设计参数

(2)室内设计温度
表4-7 拟建产业园项目室内设计温度

4.5.2.2 采暖和空调方案
拟建产业园项目采暖和空调方案详见表4-8。

4.5.2.3 通风系统
4.5.2.4 管材及保温
4.5.3 燃气系统节能评估
4.5.4 给排水系统节能评估
4.5.4.1 给水系统
4.5.4.2 排水系统
4.5.4.3 管道敷设及管材
4.6 建筑节能评估
4.6.1 建筑方案
4.6.2 单位建筑面积能耗
4.7 评估小结
拟建产业园项目所在区域的公辅设施配套完善能确保项目所需能源供给;总平面布置符合相关要求。
产业园项目根据生产规模制定合理可行的工艺技术方案,生产设备选型及数量均与生产规模相匹配,主要工艺方案遵循《机械行业节能设计规范》JBJ14-2004中要求,项目工艺设备的设计时基数符合《机械工厂年时基数设计标准》JBT2-2000要求,各生产工序采用的技术方案符合设计规范的规定,选用国内外高效节能的先进设备,无国家明令禁止和淘汰的设备。
产业园项目根据需求设置电力、暖通空调、给排水、燃气等系统,合理、可靠。
5. 产业园项目能源消耗及能效水平评估
5.1 能源消费种类分析评估
5.2 能源消费量分析评估
5.2.1 折标系数选取
根据《综合能耗计算通则》GB/T2589-2008附录A:
电力折标系数采用当量值1.229tce/万kWh;
天然气折标系数采用12.143tce/万Nm3;
市政热力折标系数采用0.03412tce/GJ。
5.2.2 各能源品种终端使用量计算
5.2.2.1 电力
(1)生产设备耗电量
产业园项目主要及辅助生产设备终端用电量=设备额定功率×需要系数×全厂负荷率(0.9)×年运行时间。 拟建产业园项目主要及辅助生产设备最终用电量情况见表5-1。

(2)空调、照明及动力耗电量
5.2.2.2 天然气
5.2.2.3 市政热力
拟建产业园项目市政热力主要用于冬季采暖,市政热力消耗量=采暖面积×耗热量指标×日运行时间×年运行时间,具体消耗量详见表5-4。

5.2.3 耗能工质消耗量计算
5.3 能源加工、转换和利用情况评估
5.3.1 各能源品种加工转换、输送分配损失计算
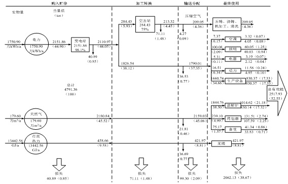
5.3.2 能流网络图、能流图


5.4 综合能耗
考虑产业园项目各能源使用过程中的加工转换损失、输送分配损失后,项目年综合能耗见表5-8,各能源品种消耗比例见图5-5。

5.5 能效水平分析评估
拟建产业园项目主要能效指标见表5-9。

6. 节能措施评估
6.1 节能技术措施评估
6.1.1 生产工艺节能措施
6.1.2 电气系统节能措施
6.1.2.1 供配电系统
6.1.2.2 照明系统
6.1.3 暖通系统节能措施
6.1.4 给排水系统节能措施
6.1.5 燃气系统节能措施
6.2 节能管理措施评估
6.2.1 能源管理
建设单位应成立能源管理办公室并明确相应的职责,重视能源管理工作,在项目立项和实施过程中,能够充分考虑降低能源消耗和能源综合利用,重视生产过程当中能源的利用以及水的循环使用。
按照国务院发布的《节约能源管理暂行条例》和《中华人民共和国节约能源法》的精神和要求,制定企业的能源管理规定和考核标准,该规定和标准贯彻节约资源和能源是我国的基本国策的原则,实施节约与开发并举,把节约放在首位的能源发展战略。
建设单位应注重重点耗能设备的使用管理,对耗能设施的运行参数进行科学化分析,找出合理参数指标,以指导操作人员规范操作,从而提高设备运行效率、降低能耗。
6.2.2 能源计量
依据《用能单位能源计量器具配备和管理导则》GB/T17167-2006,结合项目电力、天然气、市政热力和水消耗量,对拟建产业园项目的用能类别进行分类,各类别计量器具配备情况如表6-1所示。

6.3 单项节能工程评估
6.4 节能措施效果评估
拟建产业园项目节能量计算见表6-2。

7. 存在问题及建议
7.1 产业园项目建设方案存在的问题
7.2 节能评估建议
8. 结论
8.1 项目是否符合相关法律、法规、规划、政策、标准和规范
8.2 项目能源消费总量及结构
8.3 项目有无采用国家明令禁止和淘汰的落后工艺及设备
8.4 项目能效水平
8.5 项目对所在地能源消费及节能目标完成情况的影响
8.6 项目采取的节能措施及效果
8.7 项目设计方案存在的主要问题及建议
产业园项目相关资料及文件


-----------------------------------------------------------------------------
如果需要定制报告内容,请您联系咨询师了解详情:欢迎来电咨询:180-0371-3827(赵工),157-3711-0787(于工)微信同号。可提供正规咨询合同、发票等。

专业编写下列类型的可行性研究报告、项目建议书、项目申请报告具体包括:
1. 用于报送国家发改委立项、核准或备案的可行性研究报告、项目建议书、项目申请报告 。
2. 用于银行贷款的可行性研究报告、项目建议书、资金申请报告。
3. 用于融资、对外招商合作的可行性研究报告。
4. 用于申请国家政策资金的可行性研究报告。
5. 用于IPO上市募投的可行性研究报告。
6. 用于园区评价定级的立项报告及可行性研究报告。
7. 用于企业工程建设指导的可行性研究报告。
8. 用于企业申请政府补贴的可行性研究报告
亿升工程咨询拥有一支专业、经验丰富的项目投融资咨询团队。同时我们还具有丰富的项目可行性研究报告、项目建议书、项目申请报告、资金申请报告、规划设计、节能评估报告、社会稳定风险评估报告等项目经验。
扫一扫
添加微信
新半岛官方网站版权所有 备案号:豫ICP备2020026163号